K83

Nach oben ]

Home
Umbauten
Tipps und Tricks
Digital
Diverses
Logbuch
Links
Kontakt
Impressum

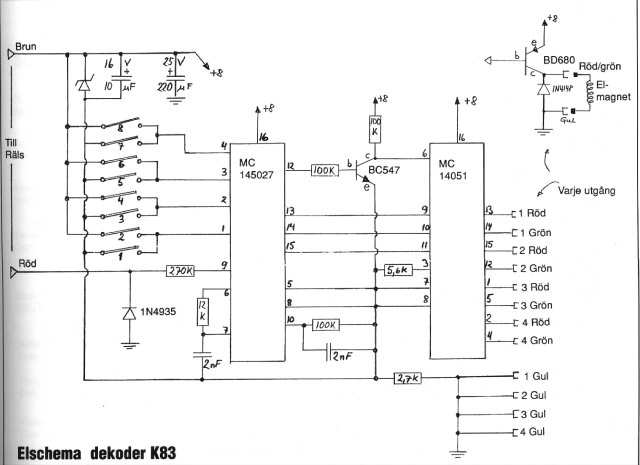
Bevor man einen K83 Decoder (6083) unter dem Tisch einbaut, möchte man diesen kurz testen können. Ich habe mir hierzu eine kleine Testschaltung aufgebaut:

Wichtig: die LED und Dioden müssen gemäss Schema geschaltet sein - die umgekehrte Richtung funktioniert nicht!
und
Wichtig: beim K83 darf Rot und Braun auf keinen Fall vertauscht sein! der Decoder funktioniert sonst nicht!

Die Erklärung liefert das Schema des K83 (respektive das einzige Schema, welches ich im Netz gefunden habe): rechts oben im Schema sieht man, dass jeder der Ausgänge mit einer Diode geschützt ist. Deshalb muss die Polarität der Diode(n) für diesen Tester gemäss meinem Schema oben sein.

 (anklicken für Vergrösserung oder Link unten anklicken)
Link:
http://www.pallund.dk/marklin/pictures/6083%28k83%29.jpg

 

aufgebaut sieht das so aus:

und hier angeschlossen an einen K83:

  

Ausgang Grün                                                                        Ausgang Rot